Austin Cryogenics Company
Cryopump Repair Kit CT-10/10F, 1020 PN:100152
Cryopump Repair Kit CT-10/10F, 1020 PN:100152
Couldn't load pickup availability
Standard Complete Repair Kit (Helium Side)
CT-10/10F, 1020 1PH Bearing
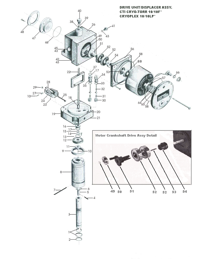
Item |
Order P/N |
Equivalent CTI P/N |
Equivalent P/N |
Description |
Qty/Pump |
1 |
100097 |
3657074P2 |
4060-0016 |
Seal, No. 2 Displacer, CT-10 |
1 |
9 |
100096 |
3657077 |
4060-0017 |
Seal, No. 1 Displacer, CT-10, 400/500 |
1 |
15 |
100094 |
3592389 |
4060-0014 |
Kap-Seal, Gland, CT-8/10 |
1 |
17 |
410111 |
58-03-10 |
2-111B |
O-Ring, Yoke Gland |
2 |
18 |
300017 |
51-03-43 |
1660-0006 |
Bushing, CT-8/10 |
1 |
20 |
410234 |
58-03-35 |
2-234B |
O-Ring, Crankcase, CT-8/10 |
1 |
21 |
410232 |
581442 |
2-232V |
O-Ring, Vessel |
1 |
33 |
410013 |
58-04-52 |
2-013B |
O-Ring, Valve |
2 |
37 |
300018 |
3588079 |
4060-0015 |
Seal, Inlet Valve |
1 |
38 |
300016 |
N/A |
1660-0007 |
Bushing |
1 |
39 |
410014 |
58-14-10 |
2-014B |
O-Ring, Plug |
1 |
43 |
410012 |
58-04-60 |
2-012B |
O-Ring |
3 |
46 |
410129 |
58-04-56 |
2-129B |
O-Ring, Sight Glass |
1 |
49 |
400059 |
56-02-15 |
3850-0096 |
Retaining Ring |
1 |
50 |
400009 |
3543017 |
1600-0043 |
Drive Bearing, CT-8/10 |
1 |
52 |
400010 |
3543016 |
1600-0044 |
Valve Bearing, CT-8/10 |
2 |
56 |
410139 |
58-04-57 |
2-139B |
O-Ring, CT-8/10 |
1 |
57 |
400011 |
3543017 |
1600-0042 |
Motor Bearing, CT-8/10 |
1 |
58 |
410044 |
58-04-95 |
2-044B |
O-Ring, Motor, CT-8/10 |
2 |
60 |
400051 |
|
1600-0045 |
Motor Bearing, CT-10 |
1 |
62 |
410157 |
|
2-157B |
O-Ring, Cylinder |
1 |
Shipping & Returns
Shipping & Returns
World-Wide Shipments
Dimensions
Dimensions
Care Instructions
Care Instructions


-
Hassle-Free Exchanges
We send a return shipping label with every order. Don't like it, just send it back!